Hořák pro pelety ATMOS A25 (4,5 - 24 kW), pro modely DCxxSP(X), CxxSP - H0048
Hořák ATMOS A25 je určen pouze pro kvalitní bílé pelety z měkkého dřeva bez kůry o průměru 6 - 8 mm, o délce 10 - 25 mm a výhřevnosti 16 - 19 MJ.kg-1. Výhodou hořáku je automatické zapalování paliva pomocí žhavící spirály, která zapálí pelety kdykoli je potřeba zatopit.
Popis produktu Hořák pro pelety ATMOS A25 (4,5 - 24 kW), pro modely DCxxSP(X), CxxSP
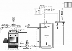
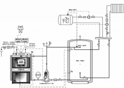
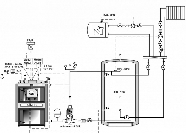
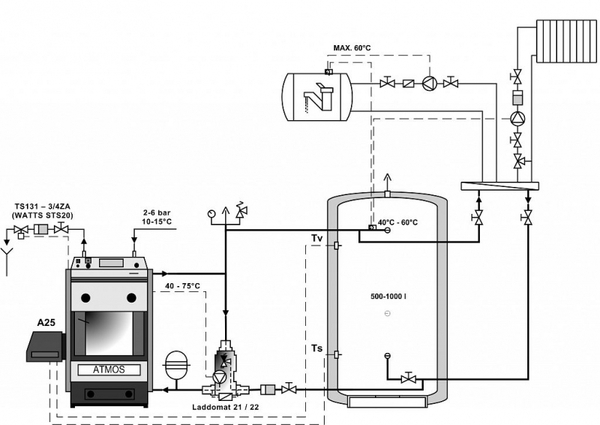
Kotle a hořáky DCxxSP(X) a CxxSP jsou v provedení vybaveny funkcí automatického uzavření nebo otevření přívodu vzduchu do kotle/hořáku, pomocí servopohonu, při topení dřevem nebo peletami. Kotle jsou vybaveny čidlem teploty spalin AGF2 a čidlem teploty vody kotle KTF20 pro funkci automatického startu hořáku po dohoření dřeva. Dále jsou kotle vybaveny dvěma čidly (TV a TS) KTF20 pro ovládání hořáku podle dvou teplot na akumulační nádrži. Celý komplet je tak prodáván v maximální výbavě, pro plně automatický režim a jednoduchou instalci „plug and play“.
Pro hořák ATMOS A25 jsou určeny tyto dopravníky:
Šnekový dopravník DA1500 o délce 1,5 m a průměru 75 mm (převodovka 25 W)
Tento dopravník je určen pouze pro kotle, u kterých je hořák zabudován v boku kotle - D14P, D21P, D25P, 15P, D20P, DCxxSP. Tento dopravník není určen pro kotle s úpravou pro hořák na pelety.
Šnekový dopravník DA2000 o délce 2 m a průměru 75 mm (převodovka 25 W)
Tento dopravník je především určen pro zplynovací kotle se zabudovaným hořákem ve vrchních přikládacích dvířkách - DCxxS(X), DCxxRS, CxxS, ACxxS. Lze jej však použít i pro standardní kotle na pelety typ DxxP.
Šnekový dopravník DA2500 o délce 2,5 m a průměru 75 mm (převodovka 25 W)
Šnekový dopravník DA3000 o délce 3 m a průměru 75 mm (převodovka 40 W)
Šnekový dopravník DA4000 o délce 4 m a průměru 75 mm (převodovka 40 W)
Tyto dopravníky jsou určeny pro všechny kotle na pelety ATMOS, kdy je zásobník paliva ve větší vzdálenosti od kotle.
Délka dopravníku musí být vybrána tak, aby hadice mezi hořákem a dopravníkem byla napnutá a měla minimálně délku 20 cm (optimálně 30 - 60 cm) z důvodu bezpečnosti. Maximální délka hadice by neměla být větší než 1m. Ke každému dopravníku je dodávána podpěrná noha. Její délku nastavíme tak, aby byl úhel dopravníku maximálně 45° a hadice byla napnutá.
Soubory ke stažení
Dotaz na zboží
Hořák pro pelety ATMOS A25 (4,5 - 24 kW), pro modely DCxxSP(X), CxxSP
* - hvězdičkou označené položky je nutné vyplnit
Dotazníkový formulář neslouží k objednávkám zboží.
Odesláním formuláře berete na vědomí zpracování osobních údajů dle zásad ochrany osobních údajů.
Tato stránka je chráněna službou reCAPTCHA a vztahují se na ni Zásady ochrany soukromí a Smluvní podmínky společnosti Google.






