Vodní rekuperační výměník AKIRETHERM Home - AkireTHHM
- DOTACE
Patentovaný systém rekuperačního výměníku AKIRETHERM získává energii z teplé odpadní vody, která běžně odtéká bez užitku do kanalizace a touto energií ohřívá přívodní vodu, proudící do objektu.
Popis produktu Vodní rekuperační výměník AKIRETHERM Home
AKIRETHERM Home je vhodný pro 1 až 6 bytových jednotek (1RD)
Vhodné především pro:
- novostavby rodinných domů
- menší bytové objekty
Patentovaný systém rekuperačního výměníku AKIRETHERM získává energii z teplé odpadní vody, která běžně odtéká bez užitku do kanalizace a touto energií ohřívá přívodní vodu, proudící do objektu. AKIRETHERM ke své činnosti nepotřebuje žádnou elektrickou energii, obsluhu ani přídavná zařízení.
Jedná se o zcela pasivní, nehlučný rekuperátor se širokým uplatněním jak v objektech pro bydlení, tak i v průmyslových zařízeních.
AKIRETHERM dokáže díky dostatečně velké teplosměnné ploše, akumulačnímu prostoru uvnitř výměníku a absenci jakýchkoliv přídavných elektrických zařízení vrátit až 80 % tepelné energie zpět do objektu v podobě předehřáté přívodní vody. Návratnost investice v rodinných domech se pohybuje v řádu několika let. V případě aplikace v ubytovacích, rehabilitačních či průmyslových zařízeních se tato návratnost ještě výrazně snižuje, mnohdy jen na několik měsíců.
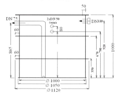
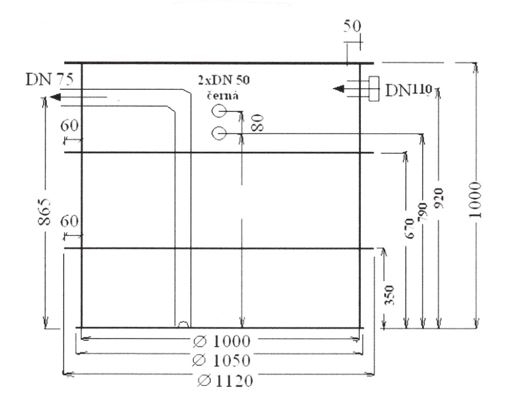
Tepelný výměník AKIRETHERM je ideální aplikovat v novostavbách rodinných domů nebo při rekonstrukcích, neboť vyžaduje rozdělení odpadní vody na splaškovou a šedou vodu. Jedná se o poměrně malý, prostorově nenáročný výrobek o Ø 1m a výšce 1 m. AKIRETHERM se umisťuje do země vedle objektu, případně do technické místnosti v suterénu. Zařízení je možné zapojit paralelně, proto vyhoví i tam, kde je potřeba teplé vody výrazně vyšší než ve standardních rodinných domech.
Výhody
- Účinnost 78%
- Funguje bez pomocných čerpadel
- Nemá žádnou vlastní spotřebu el. energie
- Ideální v kombinaci s elektrickým vytápěním a fotovoltaikou
- Vhodný aplikovat při všech systémech temperací objektu
- Uspoří 38 % z celkové energetické náročnosti objektu
- Pozitivně ovlivňuje hodnoty při výpočtu PENB – průkaz energetické náročnosti objektu
- Vysoká účinnost zařízení zaručuje rychlou návratnost
- Umožní užívání teplé vody bez omezování
- Žádné nároky na obsluhu při provozu
Dotace Nová zelená úsporám
Při instalaci můžete získat dotaci:
- Rodinný dům: 50 000 Kč
- Bytový dům: 15 000 Kč / každá připojená bytová jednotka
Výrobek je evidován v systému SVT (SVT kód 22 998).
Výsledná cena po dotaci
Při využití dotace pro rodinný dům (50 000 Kč) může být výsledná cena zařízení:
- méně než 79 000 Kč
Jaká je životnost zařízení?
Zařízení neobsahuje elektroniku ani pohyblivé části, což zajišťuje:
- životnost 25+ let
- minimální poruchovost
- téměř bezúdržbový provoz
Nevychladne voda, když se nepoužívá?
Ne. Výměník AKIRETHERM je silně izolovaný:
- pokles teploty cca jen o 2 °C za 12 hodin
- minimalizace tepelných ztrát
Požadavky na instalaci
Instalace vyžaduje plánování již ve fázi výstavby:
- nutné jednoduché rozdělení kanalizačního a vodovodního potrubí
- ideální zapracovat při stavbě základové desky
- instalace je technicky i finančně nenáročná při včasném návrhu
Stavební povolení
Zařízení neovlivňuje stavební povolení a není překážkou pro jeho vydání.
Podpora pro projektanty
Ano. Projektant získá:
- technické podklady
- podporu při návrhu ZTI
- možnost konzultace a doplnění projektu
Vliv na energetický štítek budovy
Systém AKIRETHERM má pozitivní vliv na energetickou náročnost budovy:
- snížení spotřeby energie o 25–35 %
- závisí na typu objektu, počtu osob a způsobu užívání
- zlepšení klasifikace energetického štítku
Dotaz na zboží
Vodní rekuperační výměník AKIRETHERM Home
* - hvězdičkou označené položky je nutné vyplnit
Dotazníkový formulář neslouží k objednávkám zboží.
Odesláním formuláře berete na vědomí zpracování osobních údajů dle zásad ochrany osobních údajů.
Tato stránka je chráněna službou reCAPTCHA a vztahují se na ni Zásady ochrany soukromí a Smluvní podmínky společnosti Google.






